欢迎来到壹号娱乐-comB2B订单网,请登录

800px-内锥2.png
  • 800px-内锥2.png
  • 800px-内锥3.png
  • 800px-内锥2.1.png
  • 800px-内锥.png

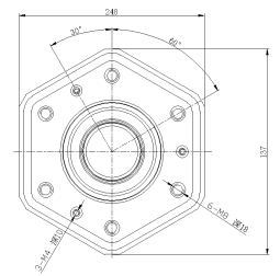
充气柜内锥套管

适用于与C-GIS柜体/变压器高压导体连接

收藏商品

产品类别
  • 产品->电力产品分类->环氧制品
应用描述
  • 环氧制品

            

本型号套管依照标准EN 50181进行结构设计

法兰面上的接触点可连接带电显示器

适用于绝缘油和SF6绝缘介质    

特性

该产品使用电压等级为35kV,使用电流1#630A,2#800A,3#1250A

依照国家标准GB/T 12706对产品进行验证试验及出厂试验,确保产品性能满足要求

技术参数

产品型号

设备运行最高电压(kV)

额定电流(A)

气密性

X光探伤

耐压

局放

1#

36

600

≤1.0X108

无气孔、杂质

 70kV 5min

31.2kV ≤5PC

2#

42

800

≤1.0X108

无气孔、杂质

117kV 5min

  45kV ≤5PC

3#

35

1250

≤1.0X108

无气孔、杂质

117kV 1min

45kV ≤5PC

  

 blob.png     blob.png

            1# 2#内锥

 

 

 blob.png   blob.png


3#内锥


备注:订购该产品需明确告知使用介质,以便提供相匹配的不同材质密封圈

该产品默认外观为红色,若有其它外观、性能要求,请先咨询


关联产品
常购商品
为您推荐
公司简介|联系我们|网站地图|隐私声明|平台协议|快递查询

物料名称

物料编码

备注*